

包括对楼宇资源共享系统、智能灯光系统、智能中控系统、电动窗帘系统、安防门禁、报警系统、电动窗帘系统、安防门禁、报警系统的控制。
针对楼宇内各种机电设备进行集中管理和监控。楼宇控制系统主要包括空调新风机组、送排风机、集水坑与排水泵、电梯、变配电、照明等。在整个楼宇范围内,通过整套楼宇自动控制系统及其内置化控制程序和预设时间程序,对所有机电设备进行集中管理和监控。在满足控制要求的前提下,实现全面节能,用控制器的控制功能代替日常运行维护的工作,大大减少日常的工作量,减少由于维护人员的工作失误而造成的设备失控或设备损坏。
目前,一幢高层建筑的能量消耗是非常大的,特别是制冷机组、 循环水泵、冷却塔和空调机组,如何使这些设备高效运行,是楼宇自 控系统必须考虑的问题。因此,采用化的控制模式来满足大楼的 功能要求,就会为信息中心的物业管理带来很大的经济效益。
楼宇自控系统即将楼宇中所有的设备(包括空调、变配电、给排 水、电梯、照明等系统)进行监视并通过计算对以上设备进行控制。该控制系统与人工控制系统比较,具有显著的优点:
(一)、有效节省电能
以现代化商厦为例,其空调与照明系统的能耗很大,约占大厦总能耗的70%。在满足使用者对环境要求的前提下,智能大厦应通过其“智能”,尽可能利用自然光和大气冷量(或热量)来调节环境,以限度地减少能源消耗。按事先在日历上确定的程序,区分“工作”与“非工作”时间,对室内环境实施不同标准的自动控制,下班后自动降低室内照度与温湿度控制标准,已成为智能大厦的基本功能。利用空调与控制等行业的技术,限度地节省能源是智能建筑的主要特点之一,其经济性也是该类建筑得以迅速推广的重要原因。
BMS系统采用电脑程序对全楼设备进行管理,根据设备的使用情况和用户的实际要求调整设备,使设备的运行处于状态,大量减少不必要浪费,避免了设备在失控的情况下运行,达到节约电能的目的,采用本系统综合节能可达15%~25%,其中变频多联供空调约25%~40%,智能照明约30%~40%,其他约10%-20%。
(二)、大量节省人力
在不采用BMS系统的建筑中,设备简单的操作、维护、保养都需要大量的人工完成;而采用BMS系统,大量的工作均由电脑根据程序自动完成,这样不仅节省了人力,而且避免的复杂的人事关系的一系列问题。采用BMS系统可节约40%~60%的人力,从而大量的节省了人力开支。
(三)、延长设备寿命
设备在电脑的统一管理下,始终处于运行状态,及时报告设备的故障情况,并进行处理;按照设备的运行状况,打印维护、保养报告,避免超前或延后维护,相应延长设备的使用寿命,也等于节省了资金。
(四)、有效加强人员管理
在不采用BMS系统的建筑中,操作人员是否及时处理设备故障及维护保养,有关领导很难掌握;但BMS系统由电脑对设备进行统一管理,计算机不会隐瞒欺骗任何人,有关领导可以及时掌握第一手资料,避免人员管理的任何问题。
(五)、保障设备与人生安全
BMS系统对设备的运行进行监测,可使值班人员及时发现设备的故障、问题与意外;消灭故障于隐患中,排除意外于防范中,保障设备与人生安全。
(六)、充分满足用户需求
本系统可根据用户需求适时的调整设备,充分保证用户环境。如果全用人工调节,一方面检测手段滞后,二另一方面调节结果滞后,不可能充分满足用户需求。而BMS系统采用电脑管理设备,监测手段丰富灵活,反应时间快,可充分满足用户需求。
再次,空调与冷热源是建筑物中能耗的一项,中央空调系统 占整个大楼的耗能 50%以上,而大楼装有楼宇自控系统以后,可节省 能耗 25%,节省人力约 50%。冷热源采用楼宇自控系统后,同常规控 制相比,可以大大提高控制精度。从统计数据来看,一般来说,可以 节省 20%~30%左右的冷量,夏季温度比设定值每升 1℃约可节省 10% 的冷量。这些对于减少运行费用与节约能源均有重要意义。且出现故 障,能够及时知道何时何地出现何种故障,使事故消除在萌芽状态。
高新信息技术和计算机网络技术的高速发展,对建筑物的结构、 系统、服务及管理化组合的要求越来越高,要求建筑物提供一个 合理、高效、节能和舒适的工作环境。节能是一项基本国策,也是建 筑电气设计全面技术经济分析的重要组成部分。楼宇自控系统正是顺应了这一潮流而诞生的。
三 、智能楼宇自控系统设计目标
(一 )、 实现目标
机电设备运行状态监控:
监控整个建筑物内的空调、照明、给排水、送排风、冷热源、变配电、电梯等系统设备的各项重要运行参数以及故障报警的数据,
(二)、设计原则
BMS是一个复杂的软件系统,它不仅可对各弱电子系统进行分散式控制,集中统一管理和监控,而集成后的系统应是一个开放系统,使不同的子系统和产品间接口和协议达到“互操作性”,同时还能适应发展变化的需要,从软件工程的角度来说,BMS的设计必须实现以下目标:
集成后的系统应是一个开放系统,系统集成的过程主要是解决不同系统和产品间接口和协议的“标准化”,以使它们之间达到“互操作性”。它应当提供标准数据接口、网络接口、系统和应用软件接口。
(二)、系统功能
集成各种子系统
楼宇的各种子系统:楼宇自控系统、火灾报警系统、综合保安管理系统、广播系统、智能照明系统,集成成为一个“有机”的统一系统,其接口界面标准化、规范化,完成各子系统的信息交换和通讯协议转换,实现五个方面的功能集成:所有子系统信息的集成和综合管理,对所有子系统的集中监视和控制,全局事件的管理,流程自动化管理,实现集中监视控制与综合管理的功能。
远程监控
无论是位于企业局域网 LAN 的站点计算机,还是位于广域网 WAN 通过拨号上网的各站点计算机,只要运行 Internet Explore 浏览器,输入 Web 服务器网址,再输入被授权的用户名和密码,进行登录和授权认证,即可浏览各种动态页面。在企业局域网 LAN 上建立视频服务器,接收闭路电视监视系统的视频信号,并借助 LAN 或 WAN 网络,为监控站点计算机发送多媒体信息。视频画面与其他实时信息完全融合。
信息发布
由Web服务器发布各种动态Web网页和各种实时信息,浙江中控BMS显示界面可以用模拟图、表格、图表等方式表现,使用图像压缩、动态效果和ActiveX控件、COM/DCOM组件模块、OPC标准协议,VB Script脚本等互联网技术进行开发。用户通过浏览器可以监控设备运行、察看动态视频、查询大楼内部的物业资料等。
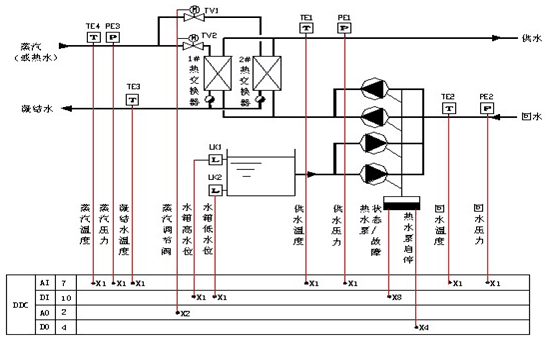
(一)、 热交换系统
本工程采暖使用热交换系统,将对热交换系统进行实时监控,由于要贯彻节约能源的原则,我能将通过调节水流量的方式来对整个建筑能的不同区域供暖实现分区域温度控制,人员集中且流动频繁的区域,提高换热程度,使室内温度更加温暖舒适;人员流动稀少区域,将控制降低热交换程度,以减少不必要的能源浪费。

(二)、通风系统
本工程将对地下二层娱乐室和地下一层的储藏间供2台吊顶式新风机组进行实时监控。
控制内容如下 :
新风/送风温度、湿度监测。
新风机运行状态、手/自动状态、故障报警及开关控制。
根据室外温度来改变送风温度设定值,以求节约能源。
防冻开关,防止因冬季室外新风温度过低而冻管。
DDC控制器对送风温度、湿度进行PID控制。通过调节冷冻水电动阀的开度,使送风温度、湿度保持在设定值范围内。当新风机停止时,冷水电动阀将会关闭。压差开关将会监察新风机过滤网的状况,当过滤网堵塞时,压差开关便会发出讯号,以催促维护人员清洗过滤网。
风机运行状态与风阀联锁,所以当风机停止时,风阀便完全关上。可根据上下班时间制订时间控制程序。
新风机组监控原理图如下:
(三)、给排水系统 BAS系统根据大楼用水量的变化,及时调整系统中生活水泵的运行台数以达到供水量与需水量之间的平衡,实现泵房的运行,实现高效率、低能耗的化控制,从而达到经济运行的目的。 根据给排水的初步设计,所有潜水泵均可有磁性浮球液位控制器控制启停,消防水泵由消防系统单独控制,因此BAS系统对潜水排污泵和消防水泵只监视不控制。 (四)、供配电及能源管理系统 监控范围包括高低压配电柜、发电机及变压器等设备。BAS采用国际常用总线接口(采用Modbus协议或Canopn协议)与供配电系统相联,读取每个变配电箱的相关信息。 由于现代社会一直提倡节能的理念,BMS系统也会对大楼内的能源配置进行合理的优化和管理,首先体现在对电能的能源管理上。我们将在低压柜中安装一定数量的电力参数智能采集仪,采集实时电力参数,通过BMS系统主服务器对电能进行合理优化管理。

(五)、集成电梯自控系统
电梯可分为直升电梯和手扶电梯,而直升电梯按其用途分,可分为客梯、货梯、客货梯、消防梯等。
电梯的控制方式可分为层间控制、简易自动、集选控制、有/无司机控制以及群控等。对于大厦电梯,通常选用群控方式。
电梯的自动化程度体现在两个方面,一是其拖动系统的组成形式;二是其操纵自动化程度。常见的电梯拖动系统有以下3种:
(1) 双速拖动方式:以交流双速电动机作动力装置,通过控制系统按时间原则控制电动机的高/低速绕组连接,使电梯在运行的各阶段速度作相应的变化。但是在这种拖动方式下,电梯的运行速度是有级变化的,舒适感较差,不适于高层建筑中使用。
(2) 交流调压调速拖动方式:由单速电动机驱动,用晶闸管控制送往电动机上的电源电压。受晶闸管控制,电机的速度可按要求的规律连续变化,因此乘坐舒适感好,同时拖动系统的结构简单。但由于晶闸管调压的结果,主电路三相电压波形严重畸变,不仅影响供电质量,还造成电机严重发热,故不适用于高速电梯。
(3) 交流调压调频拖动方式:又称VVVF方式。利用微机控制技术和脉冲调制技术,通过改变曳引电动机电源的频率及电压使电梯的速度按需要变化。由于采用了先进的调速技术和控制装置,使 VVVF 电梯具有高效、节能舒适感好、控制系统体积小、动态品质及抗干扰性能优越等一系列优点。是现代化高层建筑电梯拖动的理想形式。
(六)、集成火灾报警系统
根据火灾报警系统提供的通讯协议,TCP/IP、OPC 等,编写通讯接口,完成与消防系统的无缝集成。其示意图如下:

如果火灾报警系统不设置消防操作站,则可以通过消防控制主机的串行接口RS232或者RS485直接将其接入到BMS系统中。
火灾报警系统在现代智能建筑中起着极其重要的安全保障作用。火灾报警系统属于智能大厦系统的一个子系统,但其又在完全脱离其他系统或网络的情况下独立正常运行和操作,完成自身所具有的防灾和灭火的功能,具有绝对的优先权。火灾报警系统的结构、组成、功能都应符合我国现行的规范。
(七)、集成闭路电视监视系统
闭路电视监视系统是综合保安管理系统的重要组成部分,它主要以地图方式管理所有摄像机,可以预设所有摄像机的动作序列,对每个摄像机的动作进行设置,如控制云台的转动、俯仰及变焦对焦,控制矩阵视频切换器的输出,接收 BAS 及防盗报警的报警信息并进行相应联动,从窗口中观察实时动态监控图像等。
安防系统的集成有两种方案:

1.BMS与安防系统通过 TCP/IP 连接。从安防系统取得所有信息,包括视频,并通过安防系统控制矩阵切换,再由安防服务器通过 RS232 接口,将其控制信号传输给矩阵切换器,从而达到控制矩阵下属现场设备的目的。只需要安防系统提供软件接口即可,如上图所示。
2.BMS直接从矩阵切换器获取视频流,通过视频压缩卡数字化以后,送到网络上,矩阵切换也直接通过 RS232/485 进行,其他信息从安防系统取得,系统需分别编写与安防系统的接口以及与矩阵切换器的串行通讯接口。如下图所示。

通常采用第二种方式,响应速度快,特别对于有球机控制的场合,响应速度尤为重要。BMS与CCTV系统集成除完成一般的录像功能外,还能完成如下联动及其他功能(BMS 实际实现的功能由 CCTV 系统提供的接口协议而定):
当防盗报警系统报警时,除CCTV联动外,由BMS根据联动关系,自动启动录
像。
控制摄像机转动、俯仰及变焦对焦(PTZ)
自动产生报警报警记录明细报表。
(八)、集成防盗报警系统
BMS 通过 API、ODBC 等接口与防盗报警系统互连,实现的功能由防盗报警系统提供的接口协议而定。一般有以下功能:
防区的设防和撤防;
报警事件的记录和打印。
具体报警参数需根据防盗报警主机接口协议可开放的数据为准。
(九)、集成语音广播系统
语音广播系统在智能建筑中有着广泛的运用,多媒体会议室、室内背景音乐播放、多媒体信息广播、突发紧急情况报警等。
BMS主要通过语音广播主机提供的可读取数据的RS485/232总线通讯接口及通讯协议,对语音广播系统进行实时监控,在BMS监测到有火灾、非法入侵等紧急情况发生时,可联动语音广播系统切换到报警模式。
(十)、集成室内环境监测系统
我们将根据实际情况需要,在室内适当位置安装一定数量的温湿度传感器。在BMS服务器终端可获取室内实时的环境及空气质量信息,用户可通过短信和电话语音等方式获取实时数据参数。
(十一)、集成智能照明控制系统
智能照明控制系统,就是根据某一区域的功能、每天不同的时间、室外光亮度或该区域的用途来自控制照明。其中要的一点就是可进行预设,即具有将照明亮度转变为一系列设置的功能。采用智能照明控制系统的主要目的是节约能源,智能照明控制系统借助各种不同的"预设置"控制方式和控制元件,对不同时间不同环境的光照度进行精确设置和合理管理,实现节能。